Описана методика определения устойчивости тела человека в практике адаптивной физической культуры. Найдена погрешность определения координат общего центра масс и углов устойчивости, полученных расчетным методом. Предложена методика измерений, позволяющая…

С помощью поверхностной ЭМГ была зарегистрирована электрическая активность большой грудной мышцы в жиме штанги лежа. Некоторые спортсмены демонстрировали большую активность  в центральной части мышцы, тогда как другие –…

Изучался мертвый период в жиме штанги лежа на 12 начинающих спортсменах. Применялась трехмерная видеосъемка и электромиография.   У всех участников эксперимента мертвый период начинался приблизительно через 0,2 с…

В обзоре рассмотрены механизмы мышечной гипертрофии: механическое напряжение, повреждение скелетных мышц, а также метаболический стресс. Даны практические рекомендации относительно параметров силовой тренировки.   B.J. Schoenfeld The Mechanism of muscle…

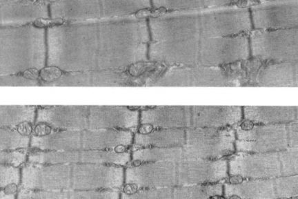
При гипертрофии мышц происходит пролиферация (деление) миофибрилл. При помощи электронного микроскопа установлено, что в некоторых средних и крупных мышечных волокнах наблюдается высокая частота продольного расщепления миофибрилл. Измерения в…

Гипертрофический ответ на концентрическую изокинетическую тренировку в различных местах одной и той же мышцы неодинаков. После 8 недель  достигнута значительная гипертрофия мышц, подвергнутых силовой тренировке. Также наблюдалось достоверное…

Биомеханический анализ мертвой зоны при выполнении жима штанги лежа был выполнен на основе трехмерной киносъемки и электромиографии 10  элитных спортсменов. Возможный механизм, который объясняет появление мертвой зоны связан…

Биомеханический анализ обычного и «ограниченного» приседа со штангой на плечах показал, что при выполнении «ограниченного» приседа уменьшаются моменты силы относительно коленного сустава, однако значительно возрастают относительно тазобедренного сустава…

Рассмотрена топография силы в борьбе греко-римским стилем,связанная с проблемой индивидуализации технической подготовки спортсменов путем оптимального выбора коронных приемов. Посредством качественного биомеханического анализа и динамометрии с использованием разработанного силоизмерительного…

Проведен сравнительный статистический (средних значений и плотности) анализ  результатов в беге на длинные дистанции лучших отечественных и зарубежных спортсменов. Проведенный анализ результатов в мужском стайерском беге свидетельствует, что…

Рассмотрены стимулы и сигнальные пути гипоксической силовой тренировки. Для гипертрофии мышц такими стимулами являются:  рекрутирование ДЕ, клеточный отек, метаболические и ишемические стрессы, повреждения мышц. Рассмотрены пути и механизмы…

Электрическая активность мышц при выполнении силовых упражнений с увеличением  внешней нагрузки в эксцентрическом режиме уменьшается. Работа мышц в последнем «отказном» цикле характеризуются уменьшением доли суммарной электрической активности четырехглавой…